ZJMK Series
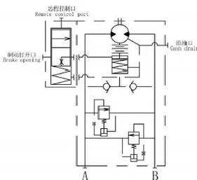
Design feature:The ZJMK series motor is an end-face flow motor that can work at high pressure.The integrated pinion gear and large capacity bearings ensure that the ZJMK series motors maintain high reliability even under high radial loads.It is especially suitable for the rotary drive of small excavators with tonnage less than 3.5 tons.The ight overflow valves (or other necessary blocks)can easily be assembled directly on the ZJMK series motors.
ZJMK Technical Data
Displacement(LPM) | 160 | 195 | 245 |
MAX,Speed(RPM) | 80 | 80 | 80 |
MAX,Pressure(MPa) | 11.5 | 13.5 | 11 |
MAX.Torque(N*m) | 310 | 415 | 425 |
Mechanical brake torque(N*m) | 785(2Mpa-3.9Mpa) Open the pressure of 2Mpa-3.9Mpa | ||

Note:
1.Max pressure is relief valve setting pressure
2.Need drain line(Back pressure should be max 20bar [290psi).
ZJMK Technical Data
Facing the standard rotary direction of the motor at the output shaft shaft end
CW:Port A pressurized
CCW:Port B pressurized
ZJMK Series

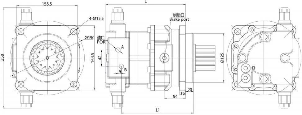
Motor length gauge | ||
Displacement | L | L1 |
ZJMK-250 | 202 | 183.5 |
ZJMK-315 |
| 194.5 |
ZJMK-400 | 25 | 206.5 |
Pinion Gear Dimension | |||||
Order number | Module | Pressure angle | Number of teeth | Pitch diameter | modification coefficient |
01 | 4 | 20° | 11 | φ53 | 0.4 |
Order Information Description
Position 1:Displacement 1 250
2 315
3 400
Position 2:Mounting Flange
A 4-015 .5 Ø190 Ø125
A Square flange 4-015.5 circle Ø190 stop Q125
Position 3:Shaft
1 m:4 z:13
Position 4:Ports
A Ports G3/8 Brake port G1/4
Position 5:Drain Port 1 G3/8
Position 6:Special Requirements
Here you can specify the special requirements required.
Note:When using this ordering information,users can send the model code,displacement,flange installation size,output shaft code,oil inlet and outlet and other information to us.If the selected specification is not in the table or there are special requirements,please contact customer service or technical personnel for specific information.